上海聚仁电力

电力及自动化系统设备制造商
专注于35KV及以下电力二次设备产品的研发和方案提供

021-37195759 021-67183050
电力及二次设备制造商
首页> 技术文章>继电器>时间继电器>静态时间继电器>BS-10型时间继电器

联系我们

  •  181-1722-3661
  •  021-67183050
  •  021-37190051
  •  jurendianli@163.com

  • BS-12时间继电器
  • 文章类别:BS-10型时间继电器
  • 文章概述
  • 产品型号:BS-12
    整定时间:5~5S
    额定电压:220V、110V、48V、24V

  • 询价留言

    • 概述
      BS-12时间继电器采用静态集成电路,作为辅助元件用于各种保护和自动控制的回路中,使被控制的元件得到可调的动作延时。具有精度高、功耗小、动作时间准确、整定直观方便、范围宽等特点,是替代电磁型时间继电器的理想产品。
      原理图

      BS-12时间继电器由集成电路、电阻、电容及干簧继电器等元件组成。当继电器加入额定电压时J2经降压电阻R3、R5外附得到电压而动作,使其动断触点打开,此时电容器C1经电位器及电阻(R4、R1)而充电,随着充电时间的增长,7点电位将逐渐增高,当达到集成电路的驱动值时,从而使集成电路驱动干簧继电器J1并接通输出继电器J3,这样就使被控制的电路按一定的延时接通。继电器延时的调整是靠改变电位器R4来实现,其延时的获得是靠电容器充电来实现。

      BS-12工作原理图

      整定参数表
      型号 延时范围 时间一致性 电源类型
      BS-11 0.15~1.5S 0.06S AC/DC:24V、48V、110V、220V(直流220V应外附电阻)
      BS-12 1~5S 0.12S AC/DC:24V、48V、110V、220V(直流220V应外附电阻)
      BS-13 2~10S 0.25S AC/DC:24V、48V、110V、220V(直流220V应外附电阻)
      BS-14 4~20S 0.5S AC/DC:24V、48V、110V、220V(直流220V应外附电阻)
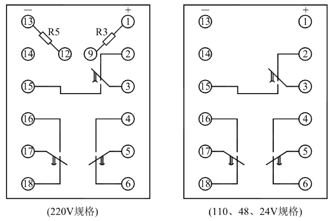
      接线图
      BS-12内部接线图
      主要特点

      BS-12阻燃壳体

      BS-12静态集成电路

      BS-12端子排接线

      BS-12导轨条安装

      导轨安装结构
      BS-12导轨安装结构外形尺寸
      凸出固定式安装结构
      BS-12凸出固定式安装结构
      凸出插拔式安装结构
      BS-12凸出插拔式安装结构
      嵌入插拔式安装结构
      BS-12嵌入插拔式安装结构