电力及自动化系统设备制造商
专注于35KV及以下电力二次设备产品的研发和方案提供
021-37195759
021-67183050
产品中心
电力继电器
中间继电器
|
时间继电器
|
电压继电器
|
电流继电器
|
过流继电器
|
抗晃电继电器
|
双位置继电器
|
跳闸回路监视继电器
|
同步检查继电器
|
相序、断线保护继电器
|
分闸、合闸、电源监视继电器
|
闪光继电器
|
冲击继电器
|
闭锁继电器
|
信号继电器
|
漏电继电器
|
组合式报警继电器
微机保护
微机综合保护测控装置
|
小型化保护装置
|
电流型保护装置
|
无源自供电保护
|
10KV通用保护
|
10KV通用保护测控
|
35KV通用保护测控
|
电压综合测控单元
|
通用型差动保护
电力仪表
多功能表
|
单相电流表
|
三相电流表
|
单相电压表
|
三相电压表
电源设备
立式直流屏
|
壁挂直流电源
|
一体式直流操作电源
|
分布式直流操作电源
|
EPS应急电源
|
UPS不间断电源
光伏二次设备
防孤岛保护装置
|
逆功率保护装置
|
故障解列装置
|
A类电能质量在线监测装置
|
B类电能质量在线监测装置
|
光纤差动保护测控装置
|
光伏新能源测控一体化装置
|
光伏并网柜
电力后台设备
故障录波屏
|
配电室环境监控系统
|
DTU配网自动化终端
|
远动通讯屏
|
通讯管理机
|
35KV电力自动化系统
开关柜及设备
发电车应急电源接入系统
|
非接触式高压带电显示装置
|
智能操控装置
|
开关状态显示仪
|
单相交直流电源综合测试仪
网站首页
关于聚仁
项目业绩
企业实景
技术文章
联系方式
首页
产品中心
电力继电器
微机保护装置
光伏二次设备
电力仪表设备
电力综合自动化系统
电源类
开关柜及设备
关于聚仁
项目业绩
联系方式
首页
>
技术文章
>
继电器
>
中间继电器
>
低电流启动中间继电器
产品目录
电力继电器
微机保护装置
光伏二次设备
电力仪表设备
电力综合自动化系统
电源类
开关柜及设备
联系我们
181-1722-3661
021-67183050
021-37190051
jurendianli@163.com
RZXL-D静态小电流启动中间继电器
文章类别:
低电流启动中间继电器
文章概述
产品型号:RZXL-D静态小电流启动
中间继电器
;
辅助电源:110V 220V 380V 交直流通用;
壳体形式:导轨式安装壳体。
询价留言
产品详情
产品分类
相关文章
项目业绩
RZXL-D概述
RZXL-D继电器用于断路器合位监视,跳位监视,电源失电监视回路中,特别适合新型的进口开关。本产品具有启动电流小,启动线圈内阻大,交直流通用的特点。
具有以下特点:
1、RZ系列继电器是采用导轨式安装结构,体积小,安装方便。
2、跳位、合位采用电子光隔启动,启动电流小、内阻大、交直流通用。
3、辅助电源交直流通用。
4、采用多个进口小型密封继电器组成,功耗低发热小、动作时间快。
5、触点容量大。
RZXL-D型号分类及含义
RZXL-D技术参数
1、额定值:额定电压 DC/AC110V、220V、380V。
2、动作值:动作电压直流应不大于额定电压 70%,交流应不大于额定电压 80%;
3、动作时间:直流大不于15ms,交流不大于25ms。
4、触点容量:在电压不超过250V,电流不超过1A,时间常数为5ms±0.75ms直流有感负荷电路中,断开容量为150W;
在电压不超过250V,电流不超过10A,功率因数为cosφ=0.4±0.1的交流电路中,断开容量为1500VA。输出触点在上述规定
的负荷条件下,产品能可靠动作及返回5×104次。输出触点长期允许接通电流为5A。
5、启动回路电流不大于1mA,启动回路内阻200K-500K之间(根据配合断路器电压等级不同而不同),订货时能提供所监视
断路器跳合闸线圈的功率或内阻,方便出厂时准确调整好启动电流,保证使用时断路器不误动作。
6、功率消耗:在额定电压下不大于5W/5VA。
7、绝缘耐压:继电器所有电路对外壳及非带电金属部分,以及电气无联系的各电路之间耐受交流 50HZ电压2KV历时1分钟试验无击穿。
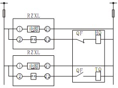
RZXL-D内部接线图
RZXL-D实例接线图
RZXL-D外形尺寸图
电力继电器
微机保护装置
光伏二次设备
电力仪表设备
电力综合自动化系统
电源类
开关柜及设备
HBDNY-61/3低电流继电器
HBDLX-20/3零序过电流继电器
ZJL-400静态中间继电器
SS-94B/2-2时间继电器
HJZZ-93/1分闸、合闸、电源监视继电器
JZ-S/446中间继电器
HBDZE-008/2中间继电器
SRS-220VAC-4H4D-10A静态中间继电器
JWY-24A过电压继电器
JZS-7/641断电延时中间继电器
JZL-800静态中间继电器
LLJ-40F(S)漏电继电器
DTR-115时间继电器
HBJDS-204低电流启动中间继电器
DZJ-20/0420中间继电器
ZJS-415/AC断电延时中间继电器
SRDX-2-220VDC/220VDC信号继电器
XJBZ-290保持中间继电器
JZZS-1241合闸和电源监视继电器
JZZS-1364分合闸监视控制继电器
电厂电站
石油化工
矿山冶金
楼宇配电
光伏新能源
充电站
轨道交通
励磁系统
出口项目
QQ咨询
3355853136
联系电话
021-67183050
询价留言
关注聚仁
返回顶部