上海聚仁电力

电力及自动化系统设备制造商
专注于35KV及以下电力二次设备产品的研发和方案提供

021-37195759 021-67183050
电力及二次设备制造商
首页> 技术文章>继电器>中间继电器>电磁型中间继电器>DZB-10B、DZB-10BG型中间继电器

联系我们

  •  181-1722-3661
  •  021-67183050
  •  021-37190051
  •  jurendianli@163.com

  • DZB-13B带保持中间继电器
  • 文章类别:DZB-10B、DZB-10BG型中间继电器
  • 文章概述
  • 生产DZB-13B中间继电器,提供DZB-13B型号及技术选型支持和中间继电器产品图纸,如果要了解DZB-13B静态中间继电器的工作原理和符号联系聚仁。
  • 询价留言

    • DZB-13B概述
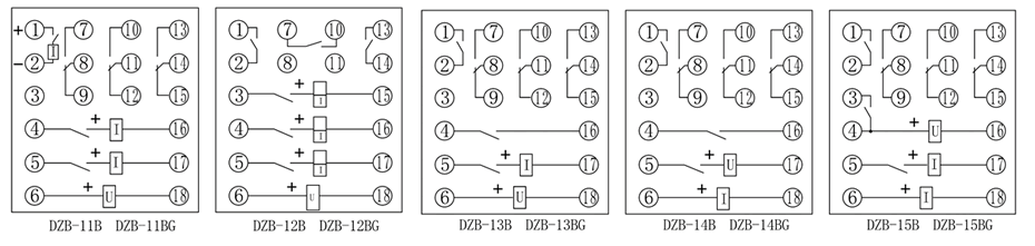
      DZB-10B(DZB-10BG)系列中间继电器用于直流操作的各种保护和自动控制线路中,作为辅助继电器以增加触点数量和触点容量。DZB-10BG是DZB-10B的改进型。该继电器克服了原来DZB-10B继电器采用的绕组线径为0.06~0.07漆包线。在长期运输中,出现的断线缺点,提高了可靠性。其余内部接线、外形尺寸、接线端子、使用功能等不变。 DZB-11B、DZB-12B、DZB-13B为电压启动,电流保持的中间继电器,DZB-14B为电流启动、电压保持的中间继电器,DZB-15B 为电流或电压工作、电流保持或电压保持的中间继电器。
      DZB-13B技术参数
      ●额定电压:DC220V、110V、48V、24V。
      ●额定电流:0.25A、0.5A、1A、2A、4A、8A。
      ●动作值:动作电压为额定电压值的30~70%;动作电流不大于80%的额定电流。
      ●保持值:保持电压不大于70%额定电压;保持电流不大于80%额定电流。
      ●返回值:不小于额定值的5%。
      ●动作时间:在额定电压下,动作时间不大于45ms。
      ●返回时间:不大于60ms。
      ●功率消耗:不大于7W。
      ● 触点容量:在电压不超过250V,电流不超过5A,时间常数为5±0.75ms的直流有感负荷电路中,输出触点的断 开容量为50W。
      ●可靠动作:5×104次。
      ●输出触点长期允许接通电流为5A。
      ● 功率消耗:在额定电压下直流继电器不大于2.5W;交流继电器不大于5VA。
       
      DZB-13B内部接线图

      DZB-13B接线图

      DZB-13B板后接线
      DZB-13B板后接线安装尺寸图
      DZB-13B板前接线
      DZB-13B板前接线安装尺寸图