








产品型号:DS-24、DS-24C电磁式时间继电器。
延时整定范围:0.2-1.5S。
额定电压:DC24V、DC48V、DC110V、DC220V。
触点:一副瞬动转换触点,一副滑动主触点和一副延时终止主触点。
壳体安装方式:JK-1嵌入式板后接线、JK-1Q板前固定接线。
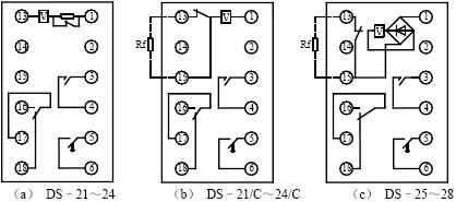
继电器采用JK–1型壳体,其外形尺寸、背后端子及安装开孔图见附录,背后端子接线图见图1。电源从端子○1与○13输入.

DS–20系列时间继电器是带有延时机构的吸入式电磁继电器。其中DS–21~DS–24是短时带电的时间继电器;DS–21/C~DC–24/C是长期带电的时间继电器。DS–25~28是交流时间继电器。
该继电器具有一副瞬动转换触点,一副滑动主触点和一副延时终止主触点。
当电压加在线圈两端时,唧子(铁心)克服塔形弹簧的反作用力被吸入,瞬动动合触点闭合,动断触点断开。同时延时机构开始启动,经过一定的整定时间后,先闭合滑动主触点,再经过一定时间后,闭合终止动合触点从而得到所需延时。当线圈断电时,在塔形弹簧作用下,使唧子和延时机构返回原位。从加电压于线圈的瞬间起,到延时动合主触点的闭合为止这段时间,可借移动静触点位置方法调整,并由指针在刻度盘上指出。
1. 各种型号继电器主要技术数据列于表1中。
2. 继电器的动作电压对于DS–21~24不大于70%额定电压;对于DS–21/C~24/C不大于75%
额定电压。DS–25~28不大于85%额定电压。
3.继电器的返回电压不低于5%额定电压。
4.继电器主触点延时一致性不大于表2中的规定。
5.继电器主触点延时整定值误差应符合表3规定。

6.热稳定性:当环境温度为40℃时,DS–21~DS–24继电器的线圈耐受110%额定电压历时2分钟,温升不超过65℃;对于DS–25~28中380V继电器线圈耐受110%额定电压历时1.5分钟,温升不超过65℃;对于DS–25~28中220V、127V、110V继电器以及DS–21/C~DS–24/C继电器的线圈长期耐受110%额定电压,温升不超过65℃。
7.在额定电压下的功率消耗:对于DS–21~DS–24不大于10W;对于DS–25~28不大于35VA;对于DS–21/C~DS–24/C不大于7.5W。
8.触点断开容量
直流有感(τ=5ms)回路,U≤250V,I≤1A,主触点和瞬动触点为50W。
9.介质强度
继电器各导电电路连在一起与外露的非带电金属部分及外壳之间,能承受2kV(有效值),50Hz的交流电压历时1min试验,耐无绝缘击穿或闪络现象。
10.电寿命5×103次,机械寿命104次。
11.继电器主触点长期闭合电流5A,瞬动触点长期闭合电流5A。
12.继电器的重量约0.7kg。
