上海聚仁电力

电力及自动化系统设备制造商
专注于35KV及以下电力二次设备产品的研发和方案提供

021-37195759 021-67183050
电力及二次设备制造商
首页> 技术文章>继电器>中间继电器>电磁型中间继电器>DZ-3E、DZ-3E/J型中间继电器

联系我们

  •  181-1722-3661
  •  021-67183050
  •  021-37190051
  •  jurendianli@163.com

  • DZ-3E/80、DZ-3E/80J中间继电器
  • 文章类别:DZ-3E、DZ-3E/J型中间继电器
  • 文章概述
  • 找8闭中间继电器DZ-3E/80、DZ-3E/80J工作原理、接线图、价格、厂家就选聚仁电力。
  • 询价留言

    • DZ-3E/80、DZ-3E/80J用途
      DZ-3E/80、DZ-3E/80J中间继电器(以下简称继电器)是一种电磁型螺管式多触点交、直流辅助继电器。用于继电保护与自动控制系统中,以增加触点的数量及容量。DZ-3E型用于直流回路,DZ-3E/J型用于交流回路。
      DZ-3E/80、DZ-3E/80J主要技术要求

      ● 型号参数如下所示:
      DZ-3E/80、DZ-3E/80J中间继电器技术参数
      ● 额定电压:AC 220V、110V、48V、24V、 DC 220V、110V、48V、24V。
      ● 接点形式:8闭、6闭2开、4闭4开、2闭6开、8开、7闭1开、10闭4动 断、4闭10开、7闭7开。
      ● 动作值:直流继电器动作电压不大于70%额定电压、交流继电器动作电压不大于85%额定电压。
      ● 动作时间:不大于50ms。
      ● 功率消耗:不大于11W。
      ● 触点容量:在电压不超过250V,电流不超过5A,时间常数为5±0.75ms的直流有感负荷电路中,产品输出触点的断开容量为50W。
      ●输出触点长期允许接通电流为5A。
      ● 介质强度:产品各导电端子连在一起,对外露的非带电金属部分或外壳之间,能承受2000V(有效值)50Hz的交流电压 历时1分钟试验而无绝缘击穿或闪络现象。

      DZ-3E/80、DZ-3E/80J内部接线图

      DZ-3E/80、DZ-3E/80J接线图

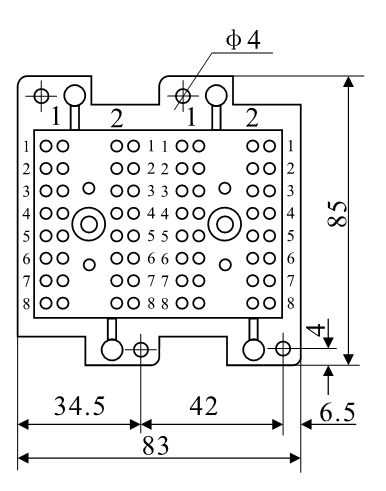
      DZ-3E/80、DZ-3E/80J外形尺寸图

      采用凸出式板后接线方式
      DZ-3E/80、DZ-3E/80J外形尺寸图

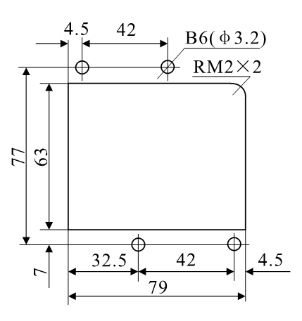
      DZ-3E/80、DZ-3E/80J安装开孔尺寸图
      DZ-3E/80、DZ-3E/80J安装开孔尺寸图
      DZ-3E/80、DZ-3E/80J端子图
      DZ-3E/80、DZ-3E/80J端子图